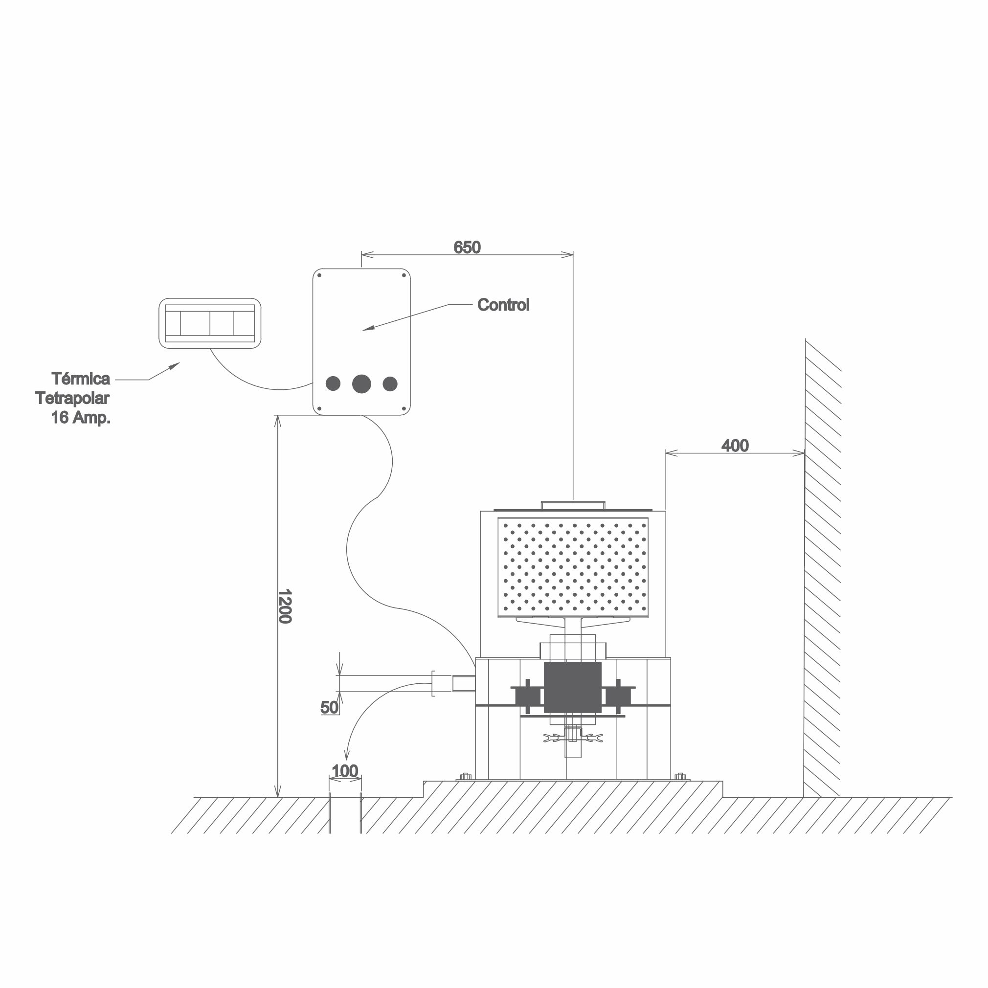
La Centrífuga Industrial de 15 kg está diseñada para la etapa de extracción de agua en procesos de lavandería profesional, garantizando alta eficiencia, estabilidad operativa y durabilidad en condiciones de uso intensivo.
Su construcción sólida y su sistema de suspensión permiten un funcionamiento seguro, incluso ante cargas exigentes, reduciendo vibraciones y prolongando la vida útil de los componentes.
Este equipo es el complemento ideal para lavadoras industriales, optimizando los tiempos de secado y mejorando la productividad general del proceso.
Construcción y materiales
-
Tambor en acero inoxidable AISI 304
-
Batea, puerta y accesorios en acero inoxidable AISI 304
-
Base en acero laminado de 5 mm de espesor
-
Eje en acero trefilado de alta resistencia
-
Componentes en acero al carbono con proceso de galvanizado
-
Terminación con pintura termoplástica, apta para uso industrial
Esta configuración proporciona resistencia mecánica, protección contra la corrosión y larga vida útil, incluso en entornos de trabajo exigentes.
Sistema de accionamiento y control
-
Motor trifásico de 1.5 HP
-
Control mediante variador de frecuencia, permitiendo un arranque progresivo y control del proceso
-
Sistema de transmisión por poleas y correas, de mantenimiento simple y económico
-
Freno mecánico, para una detención segura del tambor
Alimentación eléctrica
El equipo puede operar tanto con:
-
Red trifásica, directo a variador de frecuencia trifasico
-
Red monofásica, mediante inverter variador de frecuencia de entrada monofásica y salida trifásica
En configuraciones monofásicas, el variador permite alimentar el motor trifásico de manera eficiente, facilitando la instalación en distintos entornos sin necesidad de infraestructura eléctrica específica.
Sistema de desagote
-
Desagote por gravedad de 2 pulgadas, asegurando una rápida evacuación del agua extraída
Estabilidad y funcionamiento
-
Sistema de suspensión mediante bujes de caucho, que absorben vibraciones
-
Diseño preparado para cargas dinámicas, mejorando la estabilidad durante el centrifugado
-
Carga superior, práctica y operativa
Seguridad
-
Botón pulsador de emergencia
-
Switch de seguridad en puerta
-
Sistema de frenado mecánico
Aplicaciones
-
Lavanderías industriales
-
Hoteles y alojamientos
-
Clínicas y centros de salud
-
Industrias textiles
-
Sistemas de procesos de Acuicultura y Avicola
La centrífuga industrial de 15 kg combina robustez estructural, eficiencia en la extracción y seguridad operativa, siendo una solución confiable para procesos profesionales que requieren rendimiento constante.
Su adaptabilidad eléctrica, junto con un diseño pensado para minimizar vibraciones y mantenimiento, la convierten en una herramienta clave para mejorar la eficiencia general del sistema de lavado. Conoce mas sobre nosotros en Google!
Contáctanos para solicitar un presupuesto!















